ads

ads
oops jp
あんしん水道サービス
排水管清掃
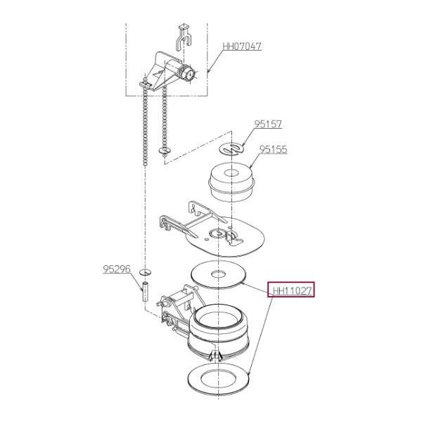
hh11027 toto トイレ部品 タンク 排水弁パッキン部
diy 素人でも出来る排水弁のパッキンの交換方法 とことんそうじ
totoロータンク金具排水弁用 2 999 メルカリ スマホでかんたん フリマアプリ
toto水回り部品 トイレ タンク ポールタップ 排水弁パッキン部 hh11027 buyee buyee 日本の通販商品 オークションの代理入札 代理購入
トイレのタンクの内部構造についてご紹介します トイレまわり ミカドサービスマンの工事進捗日誌 石川県で太陽光発電システムの販売 太陽光発電システムの施工を行うミカド電設
lineショッピング
トイレ補修部品 toto ロータンク排水弁用パッキン 管径32mm用 thy91506 ジョイフル本田 店舗受取サービス
jpy
三栄水栓 sanei ロータンクサイフォン弁座パッキン toto社用 pp42 33 au pay マーケット
toto
トイレ水漏れ事例 02 埼玉のトイレ水漏れ工事は ひまわり水道サービス
フロートバルブ キャブ
トイレの仕組みを知って diyでトラブル解消しよう diy clip ー暮らしに創る喜びをー
上下水道の故障と修理 堺市上下水道局ホームページ
水道工事
トイレ水漏れ タンクからチョロチョロ音が 水道代大丈夫 住まいる水道
amazon inax lixil リクシル トイレ 排水弁 フロート弁 tf 2820c 便座 便器
トイレタンク内の排水弁が壊れて水漏れ 部品交換で解決 福岡県筑後市の事例 福岡水道救急
トイレ水漏れ修理費15万円を部品交換して1800円で済んだ週末 ひとまとめ
生活救急車
toto
www greengenius it
toto トイレ 排水弁 水漏れ
toto
hh07038rz 排水弁 toto
hh07043z 排水弁 toto
水道工事
ads
You May Like ads